Ich plane ein neues Bluetooth Lautsprecher Projekt. Einige Komponenten wie zum Beispiel den Akku, die Ladeelektronik und den Bluetooth Baustein mit integrierter Class-D Endstufe habe ich schon auf dem Tisch liegen. Ich dachte da an sowas wie zwei einzelne Würfel, welche man über Magnete miteinander verbinden kann und bei Bedarf etwas weiter entfernt voneinander aufstellen kann. Das würde dem Stereoklang zugute kommen und den Raum etwas besser füllen. Als Lautsprecher habe ich mich für Tectronic TEBM35C10-4 entschieden. Mal sehen wie die so sind. Ich kann keinen triftigen Grund nennen warum ich mich für diese Lautsprecher entschieden habe, es ist eine Bauchentscheidung.
Was mir an diesem Baustein besonders gefällt sind die separat herausgeführten SPI Anschlüsse für den CSR Chip. So ist der Anschluss eines Programmierers viel einfacher.
Für die Bedienung des Lautsprechers sind diesmal keine Tasten sondern ein Trackball geplant. Das Teil hat zwei Achsen zum Scrollen, einen Drucktaster und vier LED`s mit denen der Trackball in allen Farben hinterleuchtet werden kann. Das ist richtig genial.
Der erste Schaltplan hat nach reiflicher Überlegung einen Haken. Der Schalter sitzt an der falschen Stelle. Hier nochmal die überarbeitete Variante.
Der Schalter trennt die Stromversorgung nun komplett. Vorher wurde das System beim Laden quasi eingeschaltet, blöd!
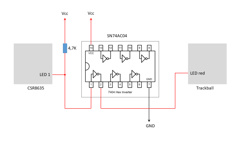
Ich habe ein weiteres Problem. Es betrifft die LEDs im Trackball Modul. Ich würde diese gern benutzen um die Zustände des Bluetooth-Modules und des Lademodules im Trackball anzuzeigen. Leider benutzen sowohl das Bluetooth-Modul als wie das Lademodul Open Kollektor um die LEDs anzusteuern. Die LEDs im Trackball werden einfach mit Strom versorgt und sind mit Vorwiderstand gegen Masse geschaltet. Grübel, grübel….!
2 Stunden später, Ich habs!
Ich gehe fest davon aus, dass die LEDs am CSR8635 über open Collector geschaltet werden. Der Schaltplan der Platine lässt des jedenfalls vermuten. Ich habe folgenden Plan geschmiedet:
13.12.2018
Die Lautsprecher sind angekommen und sie sind echt klein. Als nächstes werde ich mal einen Test mit einem Pappkarton machen. Mal sehen ob das schon in die richtige Richtung geht. Wenn sie so auf dem Tisch liegen, klingen sie ziemlich flach. Nimmt man sie aber in die Hand und umschließt sie wird es schon besser. Ich lass mich überraschen.
Ansicht von vorn
Ansicht von hinten
14.12.2018
Heute habe ich meine Idee, wie die Lautsprecher aussehen könnten, mal im CAD skizziert und gerendert.
Rechts steht der Master-Speaker mit dem Trackball und links steht der Slave-Speaker. An der Seite befindet sich die Kontur zum Verbinden der beiden Würfel und jeweils vier Magnete für den Zusammenhalt.
21.12.2018
Die letzten Tage hatte ich mal wieder etwas Zeit zum Basteln. Ich habe bei Conrad zwei Visaton FR58 bestellt um sie zu Passivmembranen umzufunktionieren. Das Entfernen des Magnten ging erstaunlich gut, da dieser nur geklebt ist. Ich hatte angefangen mit dem Winkelschleifer den Metallkörper des Magneten aufzutrennen als er sich einfach vom Metallkorb gelöst hat. Die Hitze vom Schleifen hat wohl ausgereicht um den Kleber zu lösen.
In die Mitte habe ich eine Schraube eingeklebt. So lässt sich die Passivmembran einfach abstimmen. Die erste Abstimmung habe ich per Gehör vorgenommen. Am Ende waren auf der Passivmembran zusätzlich eine Unterlegscheibe und eine Mutter M6 verbaut. Das hat aus dem Bauch heraus das beste Ergebnis gebracht.
Der erste Prototyp des Lautsprechers sieht so aus.
Eine quadratische Holzbox aus dem Bastelladen
erster Prototyp, Ansicht von hinten
erster Prototyp, Ansicht von vorn
Der erste Prototypenlauf war mehr als zufriedenstellend. Der Lautsprecher hat ziemlich gut Bass für die Größe. Super, ich bin begeistert. Als nächstes wird der zweite Würfel aufgebaut.
Nachdem ich mir letzte Zeit viele Bluetooth Lautsprecher angehört habe und irgenwie keiner einen zufriedenstellenden Klang hatte bzw. einen erschwinglichen Preis, habe ich mich entschlossen mir einen selber zu bauen.
Auf Ebay habe ich eine vollständige Platine für genau meinen Einsatzfall gefunden:
Dieses kleine Zauberdingens hat folgende Eigenschaften:
Versorgungsspannung 3,6V – 5V
Bluetooth Protokoll 4.1
Ladeelektronik für 3,7V LiIo Akku
Ladestrom 500 mA
Ausgangsleistung 2x 3W an 4Ohm
Größe 40mm x 30,8mm x 1,2mm
Tasten für An/Aus, Vor- & Zurück, Lauter/Leiser
Als die Platine da war hab ich erstmal gestaunt wie klein das Ding eigentlich ist. Hier mal ein Bild mit Streichholz. Die Platine meldet sich als LN-BT10 und die Verbindung via Bluetooth zum Handy klappt einwandfrei. Was etwas nervig ist, ist die chinesische Frauenstimme welche die Betriebsbereitschaft nach dem Einschalten, das erfolgreiche Ausschalten und den erfolgreichen Aufbau bzw. den Abbruch der Bluetoothverbindung meldet. Natürlich tut sie das auf chinesisch.
Werbeanzeigen
Als nächstes habe ich zwei Lautsprecher bestellt. Sie sollten nicht so klein sein, wie zum Besipiel beim Bose SoundLink mini. Bei Visaton (mein persönlicher Favorit) bin ich wie immer fündig geworden. Ich habe mich für zwei FRS 8 4Ohm entschieden.
Werbeanzeigen
Bei Conrad Elektronik habe ich noch einen LiIo Akku mit 3,7V und 3000mAh bestellt.
Da ich es nicht abwarten konnte, habe ich mal einen Prototypen aufgebaut.
Das war für den Anfang gar nicht so schlecht. Die kleine Platine macht wider Erwarten ganz schön Krach mit den beiden Lautsprechern. Das Aufladen des Akkus hat auch sehr gut funktioniert.
Als nächstes habe ich ein ordentliches Gehäuse konstruiert. Die Abmessungen und die Auslegung wurden mit Boxsim simuliert bis ich mit dem Frequenzgang zufrieden war.
Das Gehäuse der Box ist aus Sperrholzzuschnitten zusammengesetzt.Eine Laubsäge leistet hier gute Dienste.
Werbeanzeigen
Nachdem das Gehäuse erfolgreich zusammengeleimt wurde, habe ich provisorisch die Lautsprecher befestigt (nicht genug Schrauben) und die Elektronik in das dafür vorgesehene Fach geworfen. Hinter dem Lautsprechern wurde das Gehäuse mit Dämmwolle leicht gefüllt. Die Bedienplatine habe ich erst mal mit Tesa befestigt. Das Ganze sieht dann so aus.
Erste Tests laufen. Ich nehme den Lautsprecher jeden Tag mit ins Auto und höre auf dem Weg zur Arbeit Musik damit. Bis jetzt habe ich den vierten Tag erfolgreich absolviert. Das heißt, dass die Akkulaufzeit mit den Fahrten zur Arbeit und einiger Zeit zu hause bereits über fünf Stunden beträgt und er spielt immer noch.
Weiterhin habe ich festgestellt, dass es einen großen Einfluß hat wo man den Lautsprecher im Raum platziert. Am besten klingt er wenn er auf halber Höhe mit dem Rücken an einer Wand steht. Dann spielt er auch ordentlich laut.
Im Netz habe ich einen Testbericht zum BOSE SoundLink mini gefunden. Dort wird ebenfalls beschrieben, dass es einen gewaltigen Einfluß auf den Klang hat, wo man den Lautsprecher im Raum platziert. Da befinde ich mich ja in bester Gesellschaft.
Eine Loudness Anpassung der unteren Frequenzen würde mir auch sehr gut gefallen, ich weiß aber nicht wie!
Werbeanzeigen
3.1.2016
So, derLautsprecher hat bisher locker 7h gespielt ohne aufgeladen werden zu müssen. Mal sehen wie lange das noch so weiter geht.
Bezüglich einer Loudness-Anpassung habe ich mich für die Yamaha-Variante entschieden:
Es geht weiter. Das Gehäuse hat nun abgerundete Ecken bekommen, was etwas eleganter wirkt, und das Frontgitter ist fast fertig. Hier ein paar Bilder.
Werbeanzeigen
10.2.2016
Die Versuche bezüglich der Klangverbesserung sind gescheitert. Ich habe mich entschieden, ein anderes Bluetoothmodul zu testen.
Bluetoothmodul mit Vorverstärker und Endverstärker von SANWU
Dieses Modul trägt ein Bluetoothmodul mit dem CSR8635 Chip von CSR, einen Vorverstärker NE5532 und einen Endverstärker PAM8406. Das ganze kostet bei Ebay 11€.
Der CSR Chip bietet laut Datenblatt die Möglichkeit über SPI Schnittstelle den Audioprozessor anzusprechen und einzustellen.
Das klingt vielversprechend. Das Problem ist, daß die Entwicklungsumgebung ADK1.1 (Audio Development Kit) von CSR den Kostenrahmen sprengt. Ich bleibe dran.
Bluetoothboard mit angelötetem Kabel für SPI (links) und für die externen Taster
Werbeanzeigen
Ein weiteres Problem, oder sagen wir eine Änderung im Projekt, ist die Versorgungsspannung von 5V. Zuerst habe ich es mit einem separatem Lademodul für den 3,7V Li-Io Akku in Verbindung mit einem DC-DC Step-up Wandler versucht. Das war etwas unglücklich, da diese Kombi nicht genügend Leistung zur Verfügung gestellt hat. Weiterhin zieht der Step-up Wandler trotz Stand by des Bluetoothmodules ca. 12mA. Da ist der Akku bei Nichtbenutzung des Lautsprechers in 10 Tagen leer. Das ist nicht akzeptabel.
Neue Stromversorgung werden also 4 NiMh Akkus sein welche sich in einem von außen zugänglichen Batteriehalter befinden werden. Kostet bei Reichelt knapp 7€.
Werbeanzeigen
12.2.2016
So, Batteriefach ist eingebaut. Ich finde es ein wenig „labberig“ aber wenn die Akkus drin sind ist es stabil genug. Das Schöne daran ist, dass man mit 4×1,2V=4,8V einfach eine höhere Ausgangsleistung hat und das hört man auch. Mit Batterien würde man auf 6V kommen. Leider gibt Texas Instruments für den NE5532 und Diodes Incorporated für den PAM8406 an, dass eine Betriebsspannung von max. 6V ein absolutes Maximum ist und eine Funktion dann nicht mehr gewährleistet ist. Probieren kann man es ja mal. Das neue Bluetoothmodul scheint auch einen besseren Frequenzgang nach unten zu haben. Die Basswiedergabe ist deutlich besser.
Werbeanzeigen
7.3.2016
Nachdem ich nun leider feststellen musste, daß der CSR8635 Chip in Verbindung mit dem NE5532 und dem PAM8406 irgendwie nicht so prickelnd klingt habe ich mal wieder etwas neues ausprobiert. Auf Ebay gibt es ein Bluetooth Board mit dem CSR8645 Chip und zwei HT6872 Verstärkerchips. Dieser Baustein kling vom Start weg schon fast perfekt und kostet lumpige 10€.
Die Verstärker bringen pro Seite 2,8W bei 5V. Da macht sich der Einbau des Batteriefaches bezahlt. Die vier Ni-Mh Zellen bringen 4,8V und mit vier Batterien wären es satte 6V. Bei 6,5V hat jeder Verstärker eine Ausgangsleistung von 4,7W. das ist schon mal eine Hausnummer.
Oder man nimmt das unten abgebildete Modul. Es hat zwar „nur“ den CSR8635 und somit kein APTx, aber damit kann man sicher leben. Der Vorteil dieses Modules ist, dass man kein separates Verstärkermodul benötigt, da das Modul alles mitbringt. Weiterhin sind die Programmieranschlüsse nach außen geführt!
CSR8635 Bluetooth 4.1 Modul 2x5W Stereo (Quelle: Eckstein-Komponente Hier kaufen)
Um das ganze noch zu toppen habe ich mich für (hoffentlich endgültig) für folgende Variante entschieden.
Differenzverstärker Board HT8696 (Quelle: Eckstein-Komponente Hier kaufen)
CSR8645 Breakout Board(Quelle: Eckstein Komponente Hier kaufen)
Das ergibt einen CSR8645 Chip in Verbindung mit einem HT8696 Stereoverstärker. Der Verstärker hat bei 5V eine Ausgangsleistung von 3,2W, bei 6,5V = 5,6W und bei 8,8V = 2x10W.
Das hat mich dazu veranlasst eine zusätzliche Spannungversorgungsbuchse vorzusehen. Mit einem externen 8V Netzteil können somit fast 2x10W mobilisiert werden. Es bleibt also spannend.
Werbeanzeigen
8.3.2016
Hier mal der Aufbau für das neue Bluetooth-Herz für den Lautsprecher. Links sieht man das Bluetoothmodul mit CSR8645 Chip. Darunter befindet sich der 3,3V Spannungsregler und ein Kondensator zur Normalisierung der Versorgungsspannung. Links neben dem Bluetoothmodul ist die Kontaktleiste für die SPI Schnittstelle zum CSR8645 Chip. Rechts neben dem Bluetoothmodul wird der Verstärkerbaustein verlötet. Die beiden Anschlüsse unten rechts sind für die Batterie und für die externe Stromversorgung über die Spannungsversorgungsbuchse. Diese hat einen internen Schalter und klemmt beim Einstecken des Netzteils die Batterie ab.
neues Bluetooth-Herz des Lautsprechers ohne Endstufe
neues Bluetooth-Herz des Lautsprechers mit Endstufe
Mit dem unten gezeigten Board kann man auf die SPI Schnittstelle des CSR-Chips zugreifen. Das mit kann man zum Beispiel den Bluetoothnamen des Boards ändern. Meins heisst nun „Marios Box“.
CSR µEnergy Debug SPI Board (Quelle: digikey) 15€ bei www.digikey.de
Schöne Verpackung!
Werbeanzeigen
4.5.2016
Die Passivmembranen sind endlich eingetroffen.
Ich habe beschlossen, die Passivmembranen in die Rückseite zu bauen. Sollte es nicht funktionieren, dann kann ich schnell einen neue Rückseite herstellen. Beim Gehäuse wäre es etwas tragischer.
12.05.2016
Die Passivmembranen sind eingebaut (Bilder folgen) und was soll ich sagen? Ich bin begeistert.Um den Erfolg dokumentieren zu können habe ich mit ARTA eine Frequenzgangmessung durchgeführt.
Jetzt muß man sicher etwas vorsichtig sein was diese Messung angeht. Das Mikrofon ist nicht geeicht und der Mikrofonlevel ist nicht eingestellt. Daher sollte man den dB Werten auf der Y-Achse keine Beachtung schenken. Welchen Einfluß der komplette Bluetoothkanal hat kann ich nicht sagen. Die Überhöhung im Bereich von 3kHz und 9kHz werde ich noch etwas korrigieren.
Alles in Allen bin ich mit mit dem Frequenzverlauf schon mal sehr zufrieden.
Werbeanzeigen
07.07.2017
So, mit dem Klang bin ich jetzt mehr als zufrieden. Die Bassreflexkanäle habe ich wieder entfernt und die beiden Schlitze auf der Frontseite werden von vorn verschlossen. Die Passivemembranen funktionieren sehr gut.
Jetzt geht es ans Optische. Der Lautsprecher ist mitlerweile komplett zerlegt und das Gehäuse hat die erste Lage Spachtel erhalten.
Einzelteile des Lautsprechers ohne Gehäuse
gespachteltes Gehäuse
So stelle ich mir den fertigen Lautsprecher vor.
Die Bedienblende oben und die Abdeckung der Front habe ich bei verschiedenen Fräsern angefragt. Mal sehen was die haben wollen.
Werbeanzeigen
14.07.2016
Ich habe das Design der Frontplatte geändert und ein kleines Imagevideo erstellt. Nur mal so zum Spaß.
17.11.2016
Der Lautsprecher ist fertig.
Fertiger Bluetoothlautsprecher
fertiger Lautsprecher noch ohne obere Abdeckung
Werbeanzeigen
15.11.2018
Bezüglich des CSR Kalimba Equalizers habe ich einen interessanten Link auf Github gefunden. Vielleicht hilft das ja weiter.
Ich werde mal wieder etwas am Lautsprecher ausprobieren. Die Sache mit den passiven Membranen stimmt mich letztendlich nicht ganz zufrieden. Ich werde eine neue Rückwand herstellen und ein paar Versuche mit Bassreflexrohren und Bassreflexlabyrinthen durchführen. Mal sehen ob dabei noch etwas mehr Klangfülle rumkommt.
Ich werde berichten.
21.12.2018
Der Versuch mit dem Labyrinth hat nichts gebracht und ich möchte gar nicht näher darauf eingehen.
Was ich heute berichten möchte, ist sehr viel besser. Ich habe mich nochmal hingesetzt, recherchiert und mir meinen Lautsprecher nochmal genau betrachtet. Dabei ist mir aufgefallen, dass die Abdichtung der beiden Gehäusehälften nach außen verbesserungswürdig war. Das war zum Einen die Abdichtung des Batteriekastens oder die Anlageflächen der PM’s. Nach einigen ml Dichtmasse sah die Welt schon viel besser aus. Was aber dem Ganzen das Sahnehäubchen aufgesetzt, hat war die Änderung an den Passivmembranen. Ich habe in jede PM je ein 6mm Loch gebohrt und je eine Innensechskantschraube mit je zwei Unterlegscheiben und je einer Mutter verbaut. Das Ergebnis hat mich umgehauen. Ich werde noch ein wenig mit mehr Masse experimentieren, aber ich bin jetzt sowas von zufrieden, das ist kaum zu glauben.